3351型智能隔膜远传压力(液位)变送器
压力仪表3351型智能隔膜远传压力(液位)变送器展示:
产品概述:
3351型智能隔膜远传压力(液位)变送器是用于防止管道中的介质直接进入变送器里的压力传感器组件,它与变送器之间是靠注满流体的毛细管连接起来的。用于测量液体,气体或蒸汽的液位、流量和压力,然后将其转变成4~20mA DC信号输出。
3351GP压力变送器带上远传密封装置后就成为3351型智能隔膜远传压力〈液位)变送器,它具有3351GP压力变送器的各种特点。可与HART手操器相互通讯,通过它进行设定,监控。
此变送器可避免被测介质直接和变送器的隔离膜片接触,这种测量方法适用于下述几种情况:
※被测介质对变送器敏感元件有腐蚀作用时
※需要将高温被测介质与变送器隔离时
※被测介质中有固体悬浮物或高粘度介质易堵塞变送器接头和压力容器时
※被测介质用引压管引出时易固化或结晶时
※更换被测介质需要冲洗而不容交混时
※须保持卫生条件,防止污染时
3351型智能隔膜远传压力(液位)变送器远传装置形式有四种:
※1191PFW扁平式远传装置
※1191RTW螺纹安装式远传装置
※1191RFW法兰安装式远传装置
※1191EFW插入筒式远传装置
※1191scw卡环式远传装置
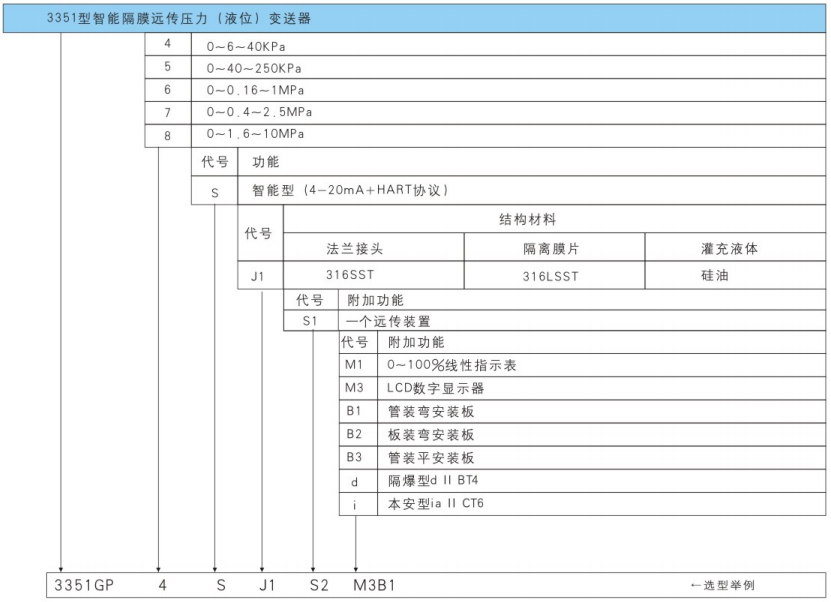
3351型智能隔膜远传压力(液位)变送器选型方式:






